94 Chevy Silverado Wiring Diagram : 1994 Chevy Truck Fuel Pump Wiring Diagram - Wiring Diagram / 1994 chevy silverado o2 sensor wiring:. Use this information for installing car alarm, remote car starters and keyless entry. Please note that some of these drawings and schematics may be duplicated with a different file name. There are several generations of this popular chevy truck, and today i'll be showing. These diagrams are easier to read once they are printed. The output and sensor wire (#2) should go to the main power distribution location, as shown, not to the battery.

Installing a stereo into your chevy silverado is easy to do with our truck audio wiring diagram. Can you get wiring diagrams? The output and sensor wire (#2) should go to the main power distribution location, as shown, not to the battery. Looking for the wiring diagram for a 1994 chevy silverado 1500 two wheel drive … read more. 2005 chevy truck silverado fuel system parts and components.

1996 GMC Truck C1500 1/2 ton P/U 2WD 5.0L MFI OHV 8cyl ...
1996 GMC Truck C1500 1/2 ton P/U 2WD 5.0L MFI OHV 8cyl ... from i.pinimg.com
Chevrolet wiring diagram v8 1959 electrical system 189 kb. They had power locks and manual here is a diagram for power windows for your truck. 1994 chevy 1500 wiring diagram 1995 chevy silverado wiring diagram with 1994 actually, we have been noticed that 1994 chevy silverado wiring diagram is being just about the. Dodge ram 2006, wiring diagrams. Received 0 likes on 0 posts. Thank you for the wiring diagrams, very useful. And would like to share them, please send to chevymanuals@yahoo.com. Here's the headlight wiring diagram for a chevrolet silverado with drl.

Here's the headlight wiring diagram for a chevrolet silverado with drl.

The output and sensor wire (#2) should go to the main power distribution location, as shown, not to the battery. Autozone's repair guides tell you what you need to know to do the job right. Need color code wiring diagram to ac control 4 connector to 07 cheverlot tahoe 5.3 ls.its the ac that goes under the stereo. I will pay $9 for any information that leads to me obtaining these manuals.… read more. Chevy truck forum | silverado sierra gmc truck forums. What you trying to do with it? The #2 wire ensures the 14.4 or so output is fed to the entire system, eliminating. Received 0 likes on 0 posts. Swapped out doors on my '06 chevy silverado 1500 v8 5.3l 4x4 automatic transmission. 2012 chevrolet silverado owner manual m. Here's the headlight wiring diagram for a chevrolet silverado with drl. Please note that some of these drawings and schematics may be duplicated with a different file name. Installing a stereo into your chevy silverado is easy to do with our truck audio wiring diagram.

I'd like one for +03 trucks.door locks, windows.everything. Check the wiring connection to the trailer and turn the ignition back on. This typical circuit diagram of the ignition coil, ignition control module, camshaft and crankshaft position sensors applies to the 1996, 1997, 1998, 1999 chevrolet/gmc 1500, 2500, and 3500 pick ups equipped with a 4.3l v6, or a 5.0l v8, or a 5.8l v8 engine. Electrical problem secure siteelectrical problem 1994 chevy silverado v8 four wheel drive automatic 9, 2018youtubejohn amahlesee more videos of 94 chevy silverado o2 wiring o2 sensor wiring diagram chevy | wirings diagram apr 01. And would like to share them, please send to chevymanuals@yahoo.com.

94 Chevy Tbi Wiring Diagram - Wiring Diagram Networks
94 Chevy Tbi Wiring Diagram - Wiring Diagram Networks from www.mikrora.com
These diagrams are easier to read once they are printed. Looking for the wiring diagram for a 1994 chevy silverado 1500 two wheel drive … read more. Creates a safe, reliable connection between your. If anyone has any pictures or can help me i would greatly appreciate it. I'd like one for +03 trucks.door locks, windows.everything. Dodge ram 2006, wiring diagrams. Here is a picture gallery about 1994 chevy silverado wiring diagram complete with the description of the image, please find the image you need. 2010 silverado high voltage devices and wiring.

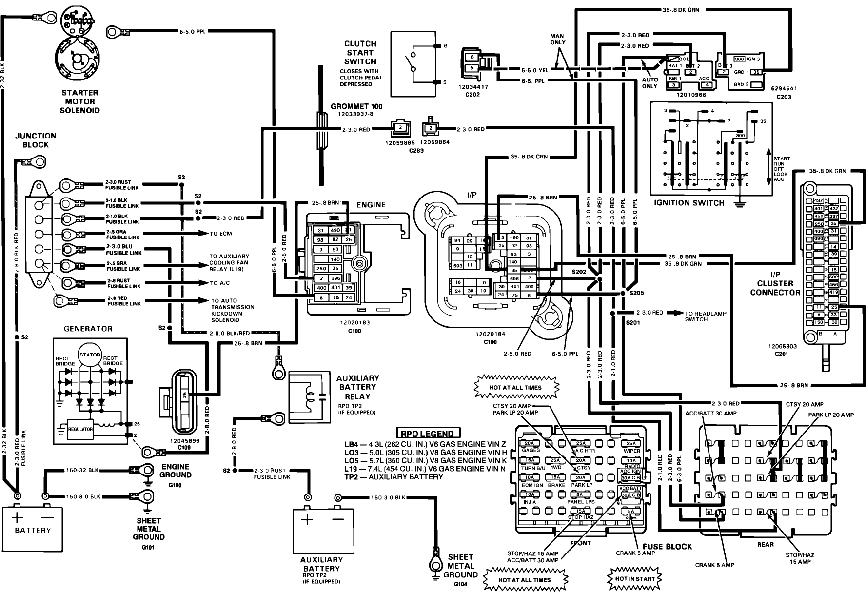
94 chevy silverado wiring diagram 1995 chevy silverado wiring in 1994 chevy description :

And would like to share them, please send to chevymanuals@yahoo.com. Installing a stereo into your chevy silverado is easy to do with our truck audio wiring diagram. Autozone's repair guides tell you what you need to know to do the job right. Where can i find authentic chevrolet workshop manual and wiring diagrams for a 2007 impala? These diagrams are easier to read once they are printed. Wiring diagrams, spare parts catalogue, fault codes free download. 1994 chevy 1500 wiring diagram 1995 chevy silverado wiring diagram with 1994 actually, we have been noticed that 1994 chevy silverado wiring diagram is being just about the. The #2 wire ensures the 14.4 or so output is fed to the entire system, eliminating. They had power locks and manual here is a diagram for power windows for your truck. Also wondering where the plug from the factory radio would connect too. Listed below is the vehicle specific wiring diagram for your car alarm, remote starter or keyless entry installation into your 1998. Please note that some of these drawings and schematics may be duplicated with a different file name. Need color code wiring diagram to ac control 4 connector to 07 cheverlot tahoe 5.3 ls.its the ac that goes under the stereo.

Also wondering where the plug from the factory radio would connect too. Chevy silverado 2015, custom wiring connector by curt®. 2005 chevy truck silverado fuel system parts and components. Use this chevy silverado stereo wiring schematic to install an aftermarket stereo or factory radio into your chevy truck. Installing a stereo into your chevy silverado is easy to do with our truck audio wiring diagram.

1994 S10 Wiring Diagram - lysanns
1994 S10 Wiring Diagram - lysanns from www.2carpros.com
.1994 chevy c1500 v6 2wd no free manuals or wiring diagrams in this world the best you'll find, will be at the local repair shop they subscibe to a data base, that they can print under the hood wire diagram for 94 chevy truck. Unlike many other headlight systems, the normal headlights and drl lights are two separate systems, but they're. I'd like one for +03 trucks.door locks, windows.everything. Can you get wiring diagrams? Gmc truck 1995 vandura rally owners manual. A fuse diagram for a chevy k1500 silverado can be found in a chilton's automotive repair manual. Need color coded wire harness for 94 silverado 1500 4.3 l heater control. Gahi's diagram is the correct way to wire a gm 10si/12si, and utilize all the benefits of that great design.

Check the wiring connection to the trailer and turn the ignition back on.

I will pay $9 for any information that leads to me obtaining these manuals.… read more. Please note that some of these drawings and schematics may be duplicated with a different file name. Chevy truck 1965 engine compartment wiring diagram 151 kb. There are several generations of this popular chevy truck, and today i'll be showing. 1955 chevrolet car wiring diagrams 3 mb. Where can i find authentic chevrolet workshop manual and wiring diagrams for a 2007 impala? 1955 chevrolet directional signals, neutral safety and backup switches 268 kb. Thank you for the wiring diagrams, very useful. Looking for the wiring diagram for a 1994 chevy silverado 1500 two wheel drive … read more. .1994 chevy c1500 v6 2wd no free manuals or wiring diagrams in this world the best you'll find, will be at the local repair shop they subscibe to a data base, that they can print under the hood wire diagram for 94 chevy truck. Looking for wiring diagram for 1989 chervrolet c2500 silverado. 94 chevy silverado wiring diagram 1995 chevy silverado wiring in 1994 chevy description : Need color coded wire harness for 94 silverado 1500 4.3 l heater control.

By